
标题: 8*8点阵LED显示原理的简要介绍 [打印本页]
作者: leslen 时间: 2010-10-17 15:52 标题: 8*8点阵LED显示原理的简要介绍
1. 实验任务
在8X8 LED点阵上显示柱形,让其先从左到右平滑移动三次,其次从右到左平滑移动三次,再次从上到下平滑移动三次,最后从下到上平滑移动三次,如此循环下去。
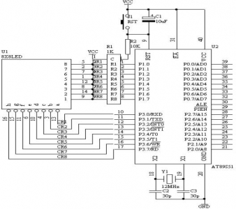
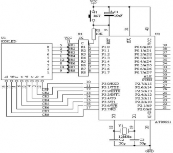
2. 电路原理图
3. 硬件电路连线
(1). 把“单片机系统”区域中的P1端口用8芯排芯连接到“点阵模块”区域中的“DR1-DR8”端口上;
(2). 把“单片机系统”区域中的P3端口用8芯排芯连接到“点阵模块”区域中的“DC1-DC8”端口上;
4. 程序设计内容
(1). 8X8 点阵LED工作原理说明 :8X8点阵共需要64个发光二极管组成,且每个发光二极管是放置在行线和列线的交叉点上,当对应的某一列置1电平,某一行置0电平,则相应的二极管就亮;因此要实现一根柱形的亮法,如图49所示,对应的一列为一根竖柱,或者对应的一行为一根横柱,因此实现柱的亮的方法如下所述:
一根竖柱:对应的列置1,而行则采用扫描的方法来实现。
一根横柱:对应的行置0,而列则采用扫描的方法来实现。
5.汇编源程序
- ORG 00H
- START: NOP
- MOV R3,#3
- LOP2: MOV R4,#8
- MOV R2,#0
- LOP1: MOV P1,#0FFH
- MOV DPTR,#TABA
- MOV A,R2
- MOVC A,@A+DPTR
- MOV P3,A
- INC R2
- LCALL DELAY
- DJNZ R4,LOP1
- DJNZ R3,LOP2
- MOV R3,#3
- LOP4: MOV R4,#8
- MOV R2,#7
- LOP3: MOV P1,#0FFH
- MOV DPTR,#TABA
- MOV A,R2
- MOVC A,@A+DPTR
- MOV P3,A
- DEC R2
- LCALL DELAY
- DJNZ R4,LOP3
- DJNZ R3,LOP4
- MOV R3,#3
- LOP6: MOV R4,#8
- MOV R2,#0
- LOP5: MOV P3,#00H
- MOV DPTR,#TABB
- MOV A,R2
- MOVC A,@A+DPTR
- MOV P1,A
- INC R2
- LCALL DELAY
- DJNZ R4,LOP5
- DJNZ R3,LOP6
- MOV R3,#3
- LOP8: MOV R4,#8
- MOV R2,#7
- LOP7: MOV P3,#00H
- MOV DPTR,#TABB
- MOV A,R2
- MOVC A,@A+DPTR
- MOV P1,A
- DEC R2
- LCALL DELAY
- DJNZ R4,LOP7
- DJNZ R3,LOP8
- LJMP START
- DELAY: MOV R5,#10
- D2: MOV R6,#20
- D1: MOV R7,#248
- DJNZ R7,$
- DJNZ R6,D1
- DJNZ R5,D2
- RET
- TABA: DB 0FEH,0FDH,0FBH,0F7H,0EFH,0DFH,0BFH,07FH
- TABB: DB 01H,02H,04H,08H,10H,20H,40H,80H
- END
- 6. C语言源程序
- #include <AT89X52.H>
- unsigned char code taba[]={0xfe,0xfd,0xfb,0xf7,0xef,0xdf,0xbf,0x7f};
- unsigned char code tabb[]={0x01,0x02,0x04,0x08,0x10,0x20,0x40,0x80};
- void delay(void)
- {
- unsigned char i,j;
- for(i=10;i>0;i--)
- for(j=248;j>0;j--);
- }
- void delay1(void)
- {
- unsigned char i,j,k;
- for(k=10;k>0;k--)
- for(i=20;i>0;i--)
- for(j=248;j>0;j--);
- }
- void main(void)
- {
- unsigned char i,j;
- while(1)
- {
- for(j=0;j<3;j++) //from left to right 3 time
- {
- for(i=0;i<8;i++)
- {
- P3=taba[i];
- P1=0xff;
- delay1();
- }
- }
- for(j=0;j<3;j++) //from right to left 3 time
- {
- for(i=0;i<8;i++)
- {
- P3=taba[7-i];
- P1=0xff;
- delay1();
- }
- }
- for(j=0;j<3;j++) //from top to bottom 3 time
- {
- for(i=0;i<8;i++)
- {
- P3=0x00;
- P1=tabb[7-i];
- delay1();
- }
- }
- for(j=0;j<3;j++) //from bottom to top 3 time
- {
- for(i=0;i<8;i++)
- {
- P3=0x00;
- P1=tabb[i];
- delay1();
- }
- }
- }
- }
复制代码
图片附件: 1.jpg (2010-10-17 15:51, 43.55 KB) / 下载次数 2176
http://bbs.hymcu.com/attachment.php?aid=129&k=17bf27db3a573d476bbeb1bacdcc4628&t=1777706432&sid=t3DxCi

作者: 模块化 时间: 2011-10-10 13:29
很好啊。

| 欢迎光临 珩源工控论坛 (http://bbs.hymcu.com/) |
Powered by Discuz! 7.2 |