
标题: [已交货] 珩源科技最新产品:三轴钥匙加工系统!(2011-7) [打印本页]
作者: andylee 时间: 2011-7-29 07:55 标题: 珩源科技最新产品:三轴钥匙加工系统!(2011-7)
钥匙加工:又名打牙机数控系统。----钥匙牙花机数控系统
(1)
开机显示XXX及销售电话号码。(2)当前齿数表示工作中完成的齿数,一次启动共五齿。(3)编码13145,几号编码就索要y轴几号参数一次完成编码自动更新下一个!内存3000编码容量,自己添加。(注)编码后面数464是指/编码当前位置数。(4)换刀指的是y轴得补偿值。(5)编码添加或删除总码自动加减,(注)添加编码内存以有相同编码给予提示(不得添加)断电编码位置数和总码不得丢失。(6)计数是指加工生产数。(7)齿距/齿深/前进/电话沟通。
深度1;00.50毫米
深度2;00.75毫米
深度3;01.00毫米
深度4;00.75毫米
深度5;00.88毫米
二、实现的相关说明书、图片等资料
说明书:
说明文档.doc (229.5 KB)
现场调试:
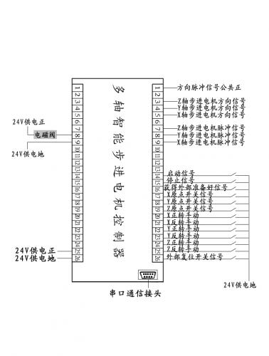
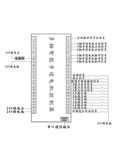
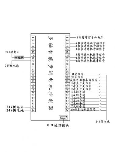
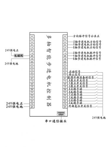
图片附件: 3轴钥匙加工接线图.png (2011-7-30 10:56, 79.83 KB) / 下载次数 3757
http://bbs.hymcu.com/attachment.php?aid=934&k=faa5d9af12b7888e235e121d92a33d5c&t=1780166280&sid=zk8EOZ

附件: 说明文档.doc (2011-7-30 10:56, 229.5 KB) / 下载次数 6708
http://bbs.hymcu.com/attachment.php?aid=935&k=513309f6e02d5e84af454e01f9510c4b&t=1780166280&sid=zk8EOZ
图片附件: suo.JPG (2011-8-12 15:04, 52.15 KB) / 下载次数 3678
http://bbs.hymcu.com/attachment.php?aid=937&k=a0e6807e8de696fb1cb9dbd7de0fa425&t=1780166280&sid=zk8EOZ

| 欢迎光临 珩源工控论坛 (http://bbs.hymcu.com/) |
Powered by Discuz! 7.2 |