标题:
鞭炮 打底上水机电控系统全面上市(2014-1-1)\ 鞭炮打底机
[打印本页]
作者:
andylee
时间:
2014-1-6 16:59
标题:
鞭炮 打底上水机电控系统全面上市(2014-1-1)\ 鞭炮打底机
鞭炮 打底上水机电控系统全面上市(2014-1-1)
2014-1-1:
我公司在鞭炮领域的第二套电控系统:打底上水机电控系统全面上市!
这是我们第一套:插引机电控系统后的又一个重要电控产品。
欢迎广大客户咨询:0798-8331153.
13979850654
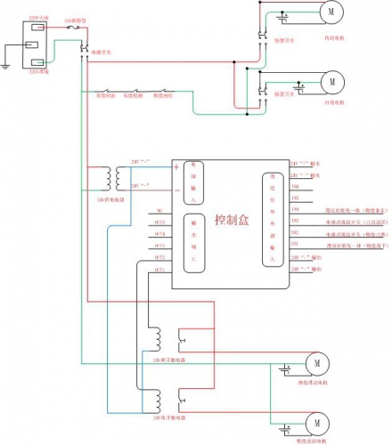
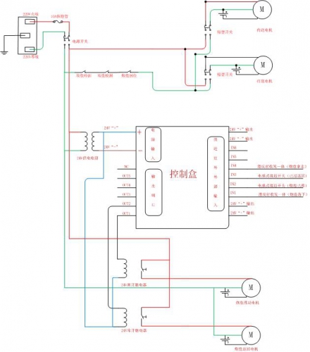
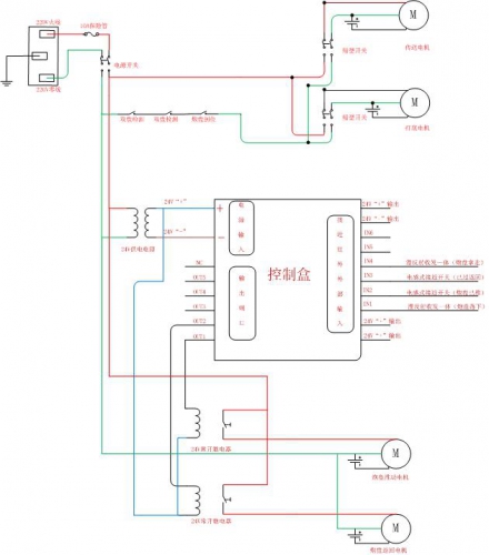
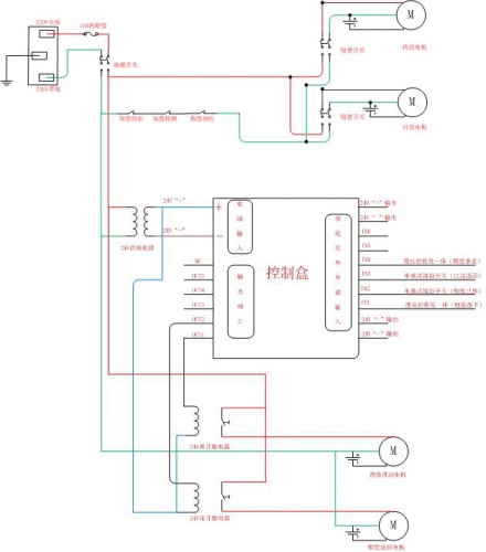
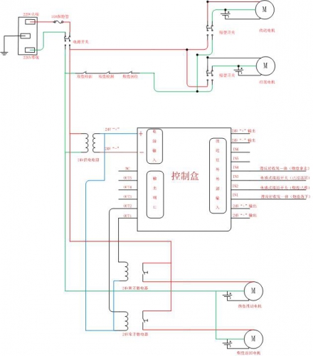
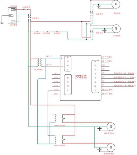
详细打底发水机电控系统接线图:
下载
(44.04 KB)
2014-2-16 15:32
专用电控系统: 控制盒 + 电源 + 开关 +感应传感器 (价格合理)
一、控制器外形图(定价180-200元,按量不同)
下载
(55.55 KB)
2014-2-20 16:31
图片附件:
打底发水机.jpg
(2014-2-16 15:32, 44.04 KB) / 下载次数 2315
http://bbs.hymcu.com/attachment.php?aid=1429&k=ca41b0bb49854cfeb1d7ba18d7bf7182&t=1777464107&sid=3tADFZ
图片附件:
打底控制器.JPG
(2014-2-20 16:31, 55.55 KB) / 下载次数 2185
http://bbs.hymcu.com/attachment.php?aid=1430&k=c5ffd00fe34d5e57f195fe92f6f3df5e&t=1777464107&sid=3tADFZ
欢迎光临 珩源工控论坛 (http://bbs.hymcu.com/)
Powered by Discuz! 7.2