Board logo

标题: A3977原理图 [打印本页]

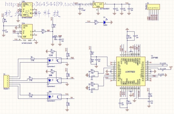
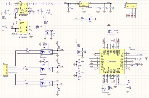
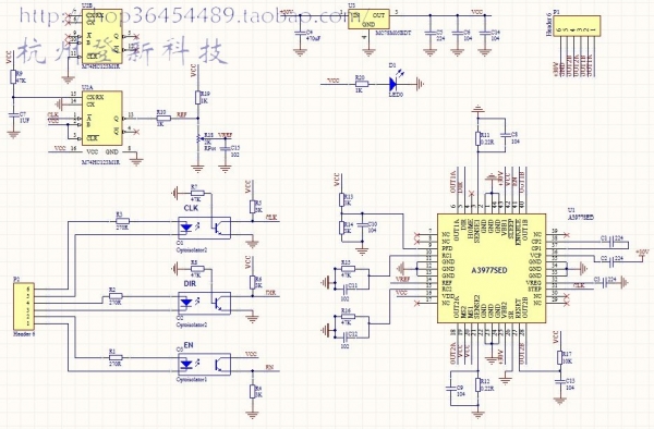
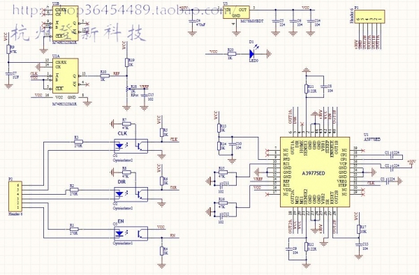
作者: 小叶子    时间: 2010-12-6 22:58     标题: A3977原理图

本帖最后由 小叶子 于 2010-12-6 23:08 编辑



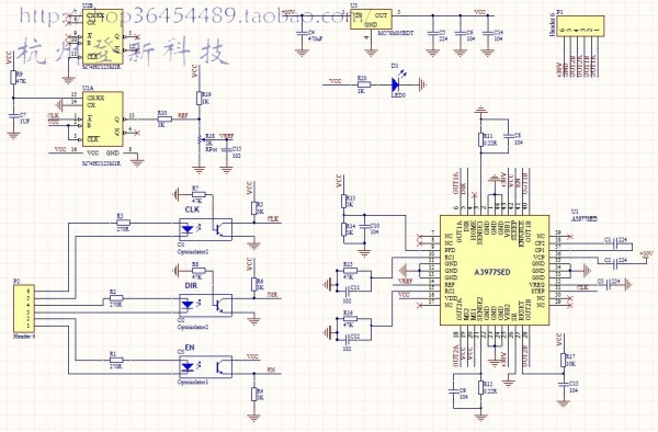
图片附件: T2kpxoXihaXXXXXXXX_!!18355433.jpg (2010-12-6 22:57, 119.12 KB) / 下载次数 629
http://bbs.hymcu.com/attachment.php?aid=630&k=82a11a40ca8dc8072acb6446a6c32ef6&t=1777479552&sid=ffj6Pr



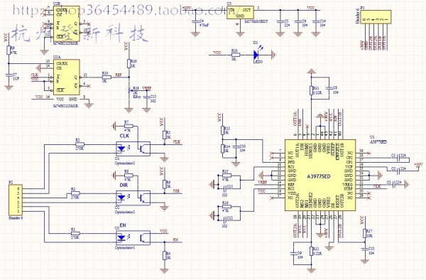
图片附件: A3977.png (2010-12-6 23:07, 191.11 KB) / 下载次数 593
http://bbs.hymcu.com/attachment.php?aid=631&k=d8bcec0d33df0bf170dbad6dc0c8fd91&t=1777479552&sid=ffj6Pr






欢迎光临 珩源工控论坛 (http://bbs.hymcu.com/) Powered by Discuz! 7.2