返回列表 发帖

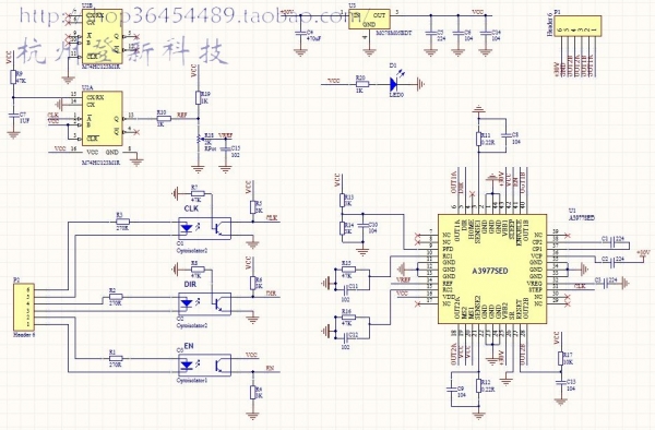
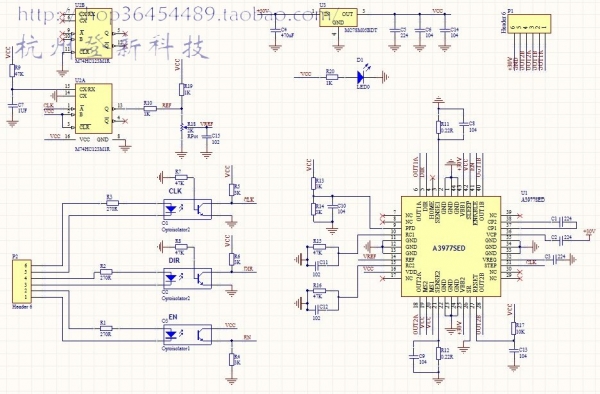
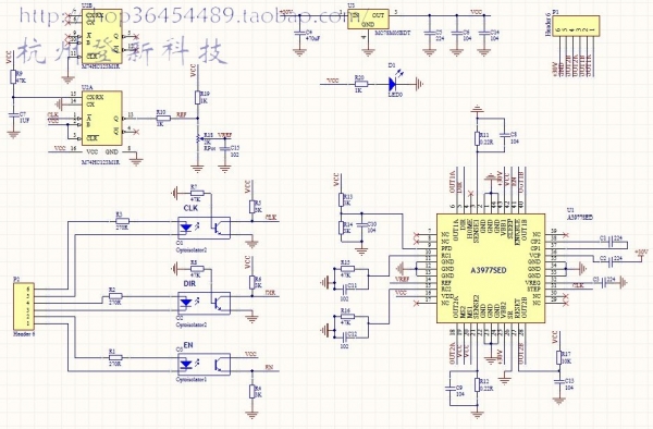
A3977原理图

本帖最后由 小叶子 于 2010-12-6 23:08 编辑

A3977.png (191.11 KB)

A3977.png

返回列表

最新关注 关闭


关于论坛注册,最新修改,请网友们注意

由于最近大量垃圾信息出现在我们的论坛,为了营造一个良好的氛围,目前论坛只开发邀请注册,你可以点击以下链接自动邀请注册(如果有人使用了点击下一个试一试) ...


查看
珩源工控论坛热诚欢迎您联系我们进行合作!

Powered by Discuz! 7.2© 2001-2009 Comsenz Inc.

珩源工控论坛 ( 桂ICP备19004328号) |论坛统计|WAP| 客服中心-www.hymcu.com
  

GMT+8, 2025-10-22 15:33, Processed in 1.049646 second(s), 8 queries, Gzip enabled.