返回列表 发帖

(转)常用电路参考

本帖最后由 稻草人 于 2010-12-29 18:39 编辑

呵呵,在网上找到的,发现整理的很好,就转了,有兴趣的朋友下载看看!

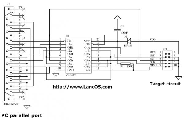
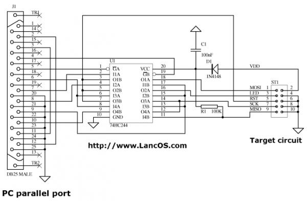
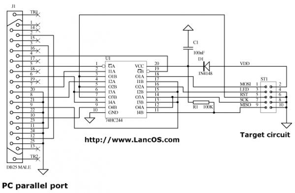
stk200.gif (20.44 KB)

stk200.gif

常用电路.rar (5.94 MB)

I CAN

谢谢楼主好帖子,学习了啊~

TOP

都是常见很实用的电路,再强力推荐一把!!!!!
I CAN

TOP

怪不得, 感冒了。。

TOP

下了后,一定要感谢,再感谢!!

TOP

返回列表

最新关注 关闭


关于论坛注册,最新修改,请网友们注意

由于最近大量垃圾信息出现在我们的论坛,为了营造一个良好的氛围,目前论坛只开发邀请注册,你可以点击以下链接自动邀请注册(如果有人使用了点击下一个试一试) ...


查看
珩源工控论坛热诚欢迎您联系我们进行合作!

Powered by Discuz! 7.2© 2001-2009 Comsenz Inc.

珩源工控论坛 ( 桂ICP备19004328号) |论坛统计|WAP| 客服中心-www.hymcu.com
  

GMT+8, 2025-10-22 05:25, Processed in 1.045689 second(s), 8 queries, Gzip enabled.