返回列表 发帖

鞭炮 打底上水机电控系统全面上市(2014-1-1)\ 鞭炮打底机

鞭炮 打底上水机电控系统全面上市(2014-1-1)
2014-1-1:

我公司在鞭炮领域的第二套电控系统:打底上水机电控系统全面上市!
这是我们第一套:插引机电控系统后的又一个重要电控产品。

欢迎广大客户咨询:0798-8331153.

13979850654

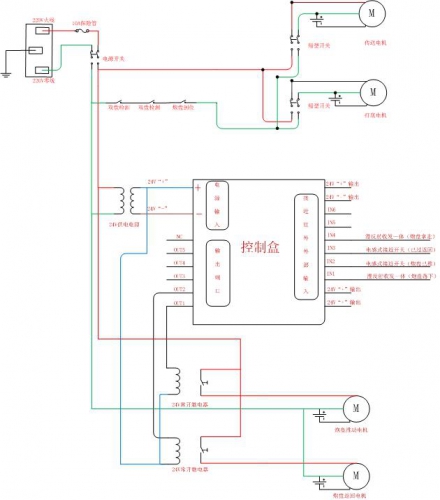
详细打底发水机电控系统接线图:



专用电控系统: 控制盒 + 电源 + 开关 +感应传感器  (价格合理)一、控制器外形图(定价180-200元,按量不同)

返回列表

最新关注 关闭


关于论坛注册,最新修改,请网友们注意

由于最近大量垃圾信息出现在我们的论坛,为了营造一个良好的氛围,目前论坛只开发邀请注册,你可以点击以下链接自动邀请注册(如果有人使用了点击下一个试一试) ...


查看
珩源工控论坛热诚欢迎您联系我们进行合作!

Powered by Discuz! 7.2© 2001-2009 Comsenz Inc.

珩源工控论坛 ( 桂ICP备19004328号) |论坛统计|WAP| 客服中心-www.hymcu.com
  

GMT+8, 2026-1-23 00:22, Processed in 1.059818 second(s), 7 queries, Gzip enabled.