返回列表 发帖

[已交货] 珩源科技最新产品:三轴钥匙加工系统!(2011-7)

钥匙加工:又名打牙机数控系统。----钥匙牙花机数控系统

(1)
开机显示XXX及销售电话号码。(2)当前齿数表示工作中完成的齿数,一次启动共五齿。(3)编码13145,几号编码就索要y轴几号参数一次完成编码自动更新下一个!内存3000编码容量,自己添加。(注)编码后面数464是指/编码当前位置数。(4)换刀指的是y轴得补偿值。(5)编码添加或删除总码自动加减,(注)添加编码内存以有相同编码给予提示(不得添加)断电编码位置数和总码不得丢失。(6)计数是指加工生产数。(7)齿距/齿深/前进/电话沟通。

深度100.50毫米

深度200.75毫米

深度301.00毫米

深度400.75毫米

深度500.88毫米

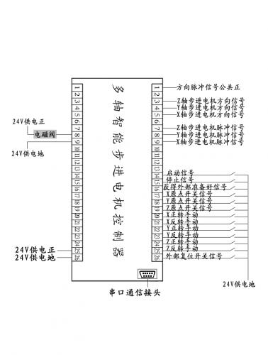
二、实现的相关说明书、图片等资料

说明书:

说明文档.doc (229.5 KB)


现场调试:




返回列表

最新关注 关闭


关于论坛注册,最新修改,请网友们注意

由于最近大量垃圾信息出现在我们的论坛,为了营造一个良好的氛围,目前论坛只开发邀请注册,你可以点击以下链接自动邀请注册(如果有人使用了点击下一个试一试) ...


查看
珩源工控论坛热诚欢迎您联系我们进行合作!

Powered by Discuz! 7.2© 2001-2009 Comsenz Inc.

珩源工控论坛 ( 桂ICP备19004328号) |论坛统计|WAP| 客服中心-www.hymcu.com
  

GMT+8, 2025-12-11 04:15, Processed in 1.076233 second(s), 6 queries, Gzip enabled.